Cambiar idioma :

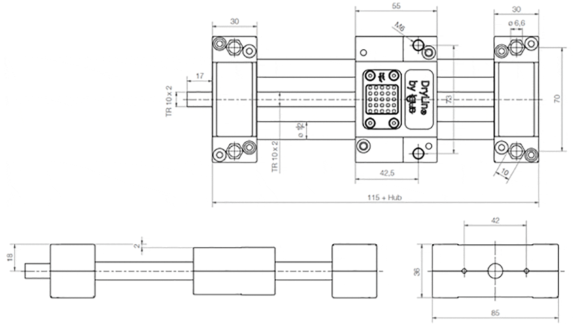
Nuestros sistemas lineales drylin® sin lubricación operan en seco, por lo que no requieren mantenimiento y son resistentes a las influencias externas. Además, funcionan de forma especialmente silenciosa gracias a los materiales utilizados y a su diseño especial. Puede calcular fácilmente la vida útil en línea en unos pocos pasos. Gracias a la elección personal de piezas individuales de alta calidad, cada sistema lineal puede adaptarse a las necesidades individuales. El cambio a un sistema deslizante puede reducir los costes de funcionamiento y mejorar considerablemente la tecnología, lo que se traduce en un funcionamiento suave y una larga vida útil.
las guías telescópicas drylin resisten altas temperaturas, fuertes vibraciones y mucho más
Las guías lineales drylin funcionan incluso con arena, virutas y polvo,
Sin corrosión y resistente a los agentes químicos, para uso bajo el agua
Aproximadamente cuatro veces más silenciosos que los rodamientos lineales metálicos
Hasta 75% más ligero gracias a los polímeros de alto rendimiento
Todos los sistemas funcionan sin lubricación adicional, por lo que son muy limpios

Aquí encontrará respuestas completas a éstas y muchas otras preguntas. Descubra todo lo que necesita saber sobre nuestra tecnología lineal.

Distribuidor
Escribir un correo electrónicoEn persona:
De lunes a viernes de 8:00 a 18:00h
Online:
24h