Por favor seleccione el país de entrega adecuado

Algunos factores como el precio de los productos, su disponibilidad u otros servicios pueden verse afectados por la selección del país de entrega.
My contact person
e-chains®, chainflex®, cables, harnessed systems readychain®

+54 11 45561000
dry-tech® bearing technology

+54 11 45561000
AR(ES)

Carro transversal drylin® SHT/SHT-PL

Propiedades especiales del carro transversal

Gran precisión, resistencia extrema y alineación excelente gracias al proceso de fabricación CNC

Disponible en versiones estándar y con precarga

Ausencia de lubricación y corrosión

Ajuste con rosca trapezoidal TR 10x2

Montaje de la guía del eje «y» a la izquierda o a la derecha

Accesorios disponibles: volante, indicador de posición, etc.

Carro transversal

Compatible con las piezas del carro transversal:


Mesas cruzadas SHT/SHT-PL


Solicite un sistema completo de carro transversal

Configuración del carro transversal en solo unos pocos pasos:

1. Seleccione el tamaño de instalación
2. Selecione la longitud de carrera en mm
3. Seleccione los accesorios

Aviso:

Encontrará más información en las fichas y planos técnicos, así como en los enlaces que se muestran a continuación.

Sistema completo del carro transversal drylin® SHT/SHT-PL

Paso 1

Seleccione el tamaño de instalación del carro transversal.

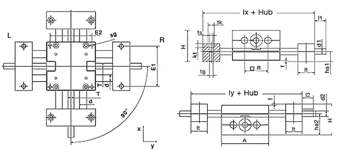
technical drawing
Tamaño de instalación:

Más información y accesorios del carro transversal


Longitud y peso del carro transversal [mm]

Nº de art. A
-0,3
[mm]
H
 
[mm]
E1
±0,15
[mm]
E2
±0,15
[mm]
Longitud
de la base lx
[mm]
Longitud
de la base ly
[mm]
R
 
[mm]
f
 
[mm]
lt
±0,1
[mm]
tk
 
[mm]
ts
 
[mm]
tg
 
kt
 
[mm]
listo para enviar en 10 días laborales desde Alemania SHT-XY-12 85 56 70 73 145 145 42 2 30 11 6,6 M8 6,4
listo para enviar en 10 días laborales desde Alemania SHT-XY-08 65 42 52 56 96 96 32 1,5 15,5 10 5,5 M6 7
listo para enviar en 10 días laborales desde Alemania SHT-XY-12-PL 85 56 70 73 145 145 42 2 30 11 6,6 M8 6,4
listo para enviar en 10 días laborales desde Alemania SHT-XY-20-EWM-PL 130 86 108 115 202 202 72 2 36 15 9 M10 8,6
Más información sobre la pieza seleccionada:
3D-CAD 3D-CAD
Pedido de muestra Pedido de muestra
PDF PDF
Consulta de precio Consulta de precio
myCatalog myCatalog

Tamaños del carro transversal [mm]

Nº de art. sg
 

d
 
[mm]
T
 
l1
 
[mm]
d1
Estándar
d1
Alternativa
l2
 
[mm]
d2
Estándar
d2
Alternativa
ha1
 
[mm]
ha2
 
[mm]
W
ha2-ha1
[mm]
listo para enviar en 10 días laborales desde Alemania SHT-XY-12 M6 12 TR10x2 17 TR10x2 6h9 17 6h9 18 38 20
listo para enviar en 10 días laborales desde Alemania SHT-XY-08 M5 8 TR6x2/TR6,35x2,54 15,5 TR6x2/TR6,35x2,54 5 15 5 13 29 16
listo para enviar en 10 días laborales desde Alemania SHT-XY-12-PL M6 12 TR10x2 17 TR10x2 6h9 17 6h9 18 38 20
listo para enviar en 10 días laborales desde Alemania SHT-XY-20-EWM-PL M8 20 TR18x4 26 TR18x4 - 26 12h9 23 63 40
Más información sobre la pieza seleccionada:
3D-CAD 3D-CAD
Pedido de muestra Pedido de muestra
PDF PDF
Consulta de precio Consulta de precio
myCatalog myCatalog
La mesa XY se suministra con el volante del eje Y en el lado izquierdo o en el lado derecho.
Izquierda: SHT-XY-12-AWM-L-200-300 para longitudes de carrera de 200 mm en el eje X y de 300 mm en el eje Y.
Derecha: SHT-XY-12-AWM-R-200-300 para longitudes de carrera de 200 mm en el eje X y de 300 mm en el eje Y

Compatible con las piezas del carro transversal:

listo para enviar en 24-48 horas desde Alemania Resumen de la gama de productos drylin® E

Componentes drylin® libres de lubricación y en continuo desarrollo para la tecnología de accionamiento.

listo para enviar en 24-48 horas desde Alemania
listo para enviar en 10 días laborales desde Alemania

Los términos "Apiro", "AutoChain", "CFRIP", "chainflex", "chainge", "chains for cranes", "ConProtect", "cradle-chain", "CTD", "drygear", "drylin", "dryspin", "dry-tech", "dryway", "easy chain", "e-chain", "e-chain systems", "e-ketten", "e-kettensysteme", "e-loop", "energy chain", "energy chain systems", "enjoyneering", "e-skin", "e-spool", "fixflex", "flizz", "i.Cee", "ibow", "igear", "iglidur", "igubal", "igumid", "igus", "igus improves what moves", "igus:bike", "igusGO", "igutex", "iguverse", "iguversum", "kineKIT", "kopla", "manus", "motion plastics", "motion polymers", "motionary", "plastics for longer life", "print2mold", "Rawbot", "RBTX", "readycable", "readychain", "ReBeL", "ReCyycle", "reguse", "robolink", "Rohbot", "savfe", "speedigus", "superwise", "take the dryway", "tribofilament", "tribotape", "triflex", "twisterchain", "when it moves, igus improves", "xirodur", "xiros" y "yes" son marcas comerciales legalmente protegidas de igus® SE & Co. KG en la República Federal de Alemania y otros países. Esta es una lista no exhaustiva de las marcas comerciales de igus SE & Co. KG o de empresas afiliadas de igus en Alemania, la Unión Europea, EE.UU. y/u otros países o jurisdicciones.

igus® SE & Co. KG puntualiza que no vende ningún producto de las empresas Allen Bradley, B&R, Baumüller, Beckhoff, Lahr, Control Techniques, Danaher Motion, ELAU, FAGOR, FANUC, Festo, Heidenhain, Jetter, Lenze, LinMot, LTi DRiVES, Mitsubishi, NUM, Parker, Bosch Rexroth, SEW, Siemens, Stöber y cualquier otro fabricante mencionado en esta página web. Los productos que ofrece igus® S.L.U. son los de igus® SE & Co. KG.