Por favor seleccione el país de entrega adecuado

Algunos factores como el precio de los productos, su disponibilidad u otros servicios pueden verse afectados por la selección del país de entrega.
My contact person
e-chains®, chainflex®, cables, harnessed systems readychain®

+54 11 45561000
dry-tech® bearing technology

+54 11 45561000
AR(ES)

drylin® SHTC - Flexible

Características especiales

Alta flexibilidad

Idónea para aplicaciones de 2 carros

Sin mantenimiento ni lubricación

Disponibles en 3 tamaños de instalación

Cojinetes de holgura ajustable

Adecuados para estos artículos:


SHTC - Flexible

L max.:

 


Solicite un sistema completo

Configuración en solo unos pocos pasos:

1. Seleccione el tamaño de instalación
2. Selecione la longitud de carrera en mm
3. Seleccione los accesorios

Aviso:

Encontrará más información en las fichas y planos técnicos, así como en los enlaces que se muestran a continuación.

drylin® SHTC – sistema completo

Paso 1

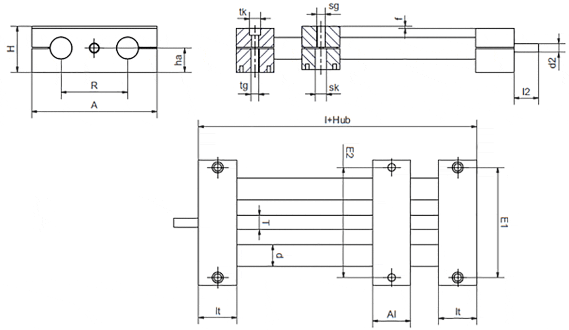
Seleccione el tamaño de instalación del conjunto de tuerca y husillo.

technical drawing
Tamaño de instalación:

Tamaños [mm]

Nº de art. Máx.
longitud de carrera
Peso
[kg]
Adicional
(por cada 100 mm)
[kg]
Máx.
capacidad de carga estática
radial axial
[N] [N]
A
-0,3
Al
-0,3
H E1
±0,15
E2
±0,15
l R f Precio individual para carrera base de 100 mm  
listo para enviar en 10 días laborales desde Alemania SHTC-08-AWM 300 0,24 0,05 100 360 65 38 23 52 55 96 32 1,5 a petición Añadir a la cesta de la compra
listo para enviar en 3-4 días laborales desde Alemania SHTC-12-AWM (1) 750 0,7 0,01 700 2800 85 30 34 70 73 90 42 2 a petición Añadir a la cesta de la compra
listo para enviar en 3-4 días laborales desde Alemania SHTC-20-AWM 1000 1,9 0,03 1600 6400 130 36 48 108 115 108 72 2 a petición Añadir a la cesta de la compra
listo para enviar en 3-4 días laborales desde Alemania SHTC-30-AWM 1250 4,6 0,06 2500 10000 180 50 68 150 158 150 96 4 a petición Añadir a la cesta de la compra
listo para enviar en 10 días laborales desde Alemania SHTC-40-AWM 1500 11 0,9 4000 16000 230 70 84 202 202 210 122 4 a petición Añadir a la cesta de la compra
listo para enviar en 10 días laborales desde Alemania SHTC-40-SWM 1500 16 2,4 4000 16000 230 70 84 202 202 210 122 4 a petición Añadir a la cesta de la compra
listo para enviar en 10 días laborales desde Alemania SHTC-50-AWM 1500 17 1,2 6250 25000 280 80 100 250 250 240 152 4 a petición Añadir a la cesta de la compra
Plazos de entrega bajo petición, ¡Consúltenos! SHTC-50-SWM 1500 26,3 3,5 6250 25000 280 80 100 250 250 240 152 4 a petición Añadir a la cesta de la compra
Plazos de entrega bajo petición, ¡Consúltenos! SHTC-12-SWM (1) 750 0,8 0,02 700 2800 85 30 34 70 73 90 42 2 a petición Añadir a la cesta de la compra
Plazos de entrega bajo petición, ¡Consúltenos! SHTC-20-SWM 1000 2,3 0,06 1600 6400 130 36 48 108 115 108 72 2 a petición Añadir a la cesta de la compra
Plazos de entrega bajo petición, ¡Consúltenos! SHTC-30-SWM 1250 5,8 0,14 2500 10000 180 50 68 150 158 150 96 4 a petición Añadir a la cesta de la compra
Plazos de entrega bajo petición, ¡Consúltenos! SHTC-12-EWM (1) 750 0,8 0,02 700 2800 85 30 34 70 73 90 42 2 a petición Añadir a la cesta de la compra
Plazos de entrega bajo petición, ¡Consúltenos! SHTC-20-EWM 1000 2,3 0,06 1600 6400 130 36 48 108 115 108 72 2 a petición Añadir a la cesta de la compra
Plazos de entrega bajo petición, ¡Consúltenos! SHTC-30-EWM 1250 5,8 0,14 2500 10000 180 50 68 150 158 150 96 4 a petición Añadir a la cesta de la compra
Más información sobre la pieza seleccionada:
3D-CAD 3D-CAD
Pedido de muestra Pedido de muestra
PDF PDF
Consulta de precio Consulta de precio
myCatalog myCatalog

(1) Extremo de perno cónico

Nº de art. lt
tk ts tg kt
±0,1
sk sg kq d T l2 d2
estándar*
ha
listo para enviar en 10 días laborales desde Alemania SHTC-08-AWM 15,5 10 5,5 M6 7 8 M5 4,6 8 6/6,35 17 Tr6x2 13
listo para enviar en 3-4 días laborales desde Alemania SHTC-12-AWM (1) 30 11 6,6 M8 6,4 10 M6 6 12 TR10x2 17 TR10x2 18
listo para enviar en 3-4 días laborales desde Alemania SHTC-20-AWM 36 15 9 M10 8,6 11 M8 7 20 TR18x4 26 12 h9 23
listo para enviar en 3-4 días laborales desde Alemania SHTC-30-AWM 50 20 13,5 M16 12,6 18 M12 10,6 30 TR24x5 38 14 h9 36
listo para enviar en 10 días laborales desde Alemania SHTC-40-AWM 70 20 13,5 M16 12,6 20 M16 39 40 TR26x5 45 16 44
listo para enviar en 10 días laborales desde Alemania SHTC-40-SWM 70 20 13,5 M16 12,6 20 M16 39 40 TR26x5 45 16 44
listo para enviar en 10 días laborales desde Alemania SHTC-50-AWM 80 20 13,5 M16 12,6 20 M16 49 50 TR30x6 50 20 52
Plazos de entrega bajo petición, ¡Consúltenos! SHTC-50-SWM 80 20 13,5 M16 12,6 20 M16 49 50 TR30x6 50 20 52
Plazos de entrega bajo petición, ¡Consúltenos! SHTC-12-SWM (1) 30 11 6,6 M8 6,4 10 M6 6 12 TR10x2 17 TR10x2 18
Plazos de entrega bajo petición, ¡Consúltenos! SHTC-20-SWM 36 15 9 M10 8,6 11 M8 7 20 TR18x4 26 12 h9 23
Plazos de entrega bajo petición, ¡Consúltenos! SHTC-30-SWM 50 20 13,5 M16 12,6 18 M12 10,6 30 TR24x5 38 14 h9 36
Plazos de entrega bajo petición, ¡Consúltenos! SHTC-12-EWM (1) 30 11 6,6 M8 6,4 10 M6 6 12 TR10x2 17 TR10x2 18
Plazos de entrega bajo petición, ¡Consúltenos! SHTC-20-EWM 36 15 9 M10 8,6 11 M8 7 20 TR18x4 26 12 h9 23
Plazos de entrega bajo petición, ¡Consúltenos! SHTC-30-EWM 50 20 13,5 M16 12,6 18 M12 10,6 30 TR24x5 38 14 h9 36
Más información sobre la pieza seleccionada:
3D-CAD 3D-CAD
Pedido de muestra Pedido de muestra
PDF PDF
Consulta de precio Consulta de precio
myCatalog myCatalog

* TR10x2 sin extremo del husillo mecanizado
(1) Extremo de perno cónico


Adecuados para estos artículos:

listo para enviar en 24-48 horas desde Alemania Resumen de la gama de productos drylin® E

Componentes drylin® libres de lubricación y en continuo desarrollo para la tecnología de accionamiento.

listo para enviar en 24-48 horas desde Alemania
listo para enviar en 3-4 días laborales desde Alemania
listo para enviar en 10 días laborales desde Alemania
Plazos de entrega bajo petición, ¡Consúltenos!

Los términos "Apiro", "AutoChain", "CFRIP", "chainflex", "chainge", "chains for cranes", "ConProtect", "cradle-chain", "CTD", "drygear", "drylin", "dryspin", "dry-tech", "dryway", "easy chain", "e-chain", "e-chain systems", "e-ketten", "e-kettensysteme", "e-loop", "energy chain", "energy chain systems", "enjoyneering", "e-skin", "e-spool", "fixflex", "flizz", "i.Cee", "ibow", "igear", "iglidur", "igubal", "igumid", "igus", "igus improves what moves", "igus:bike", "igusGO", "igutex", "iguverse", "iguversum", "kineKIT", "kopla", "manus", "motion plastics", "motion polymers", "motionary", "plastics for longer life", "print2mold", "Rawbot", "RBTX", "readycable", "readychain", "ReBeL", "ReCyycle", "reguse", "robolink", "Rohbot", "savfe", "speedigus", "superwise", "take the dryway", "tribofilament", "tribotape", "triflex", "twisterchain", "when it moves, igus improves", "xirodur", "xiros" y "yes" son marcas comerciales legalmente protegidas de igus® SE & Co. KG en la República Federal de Alemania y otros países. Esta es una lista no exhaustiva de las marcas comerciales de igus SE & Co. KG o de empresas afiliadas de igus en Alemania, la Unión Europea, EE.UU. y/u otros países o jurisdicciones.

igus® SE & Co. KG puntualiza que no vende ningún producto de las empresas Allen Bradley, B&R, Baumüller, Beckhoff, Lahr, Control Techniques, Danaher Motion, ELAU, FAGOR, FANUC, Festo, Heidenhain, Jetter, Lenze, LinMot, LTi DRiVES, Mitsubishi, NUM, Parker, Bosch Rexroth, SEW, Siemens, Stöber y cualquier otro fabricante mencionado en esta página web. Los productos que ofrece igus® S.L.U. son los de igus® SE & Co. KG.