Por favor seleccione el país de entrega adecuado

Algunos factores como el precio de los productos, su disponibilidad u otros servicios pueden verse afectados por la selección del país de entrega.
My contact person
e-chains®, chainflex®, cables, harnessed systems readychain®

+54 11 45561000
dry-tech® bearing technology

+54 11 45561000
AR(ES)

drylin® SLW compacto

Propiedades:

perfil plano y compacto

estabilidad torsional alta

sistema soportado

raíl anodizado duro

disponibles en 5 tamaños de instalación

Extremos del eje de zinc cromado

Versión especial SLW-AL con ejes de aluminio anodizado disponibles bajo petición

Versión en acero inoxidable con componentes resistentes a la corrosión (1.4305 o 1.4571) para versión de acero inoxidable, cojinetes disponibles en los siguientes materiales: iglidur® J, iglidur® X o iglidur® A180 .


Serie económicaTambién disponible como modelo básico de la serie económica.
drylin® SLW-1040
drylin® SLW-0630

Adecuados para estos artículos:


SLW - Compacto

L max.:

 


Solicite un sistema completo

Configuración en solo unos pocos pasos:

1. Seleccione el tamaño de instalación
2. Selecione la longitud de carrera en mm
3. Seleccione los accesorios

Aviso:

Encontrará más información en las fichas y planos técnicos, así como en los enlaces que se muestran a continuación.

Sistema completo drylin® SLW

Paso 1

Seleccione el tamaño de instalación del conjunto de tuerca y husillo.

technical drawing
Tamaño de instalación:

Longitudes (mm) y pesos

Nº de art.   max. Eje Máx. F estática Máx. F estática Travesaños y soportes para eje Precio unitario  
    Longitud de la carrera
[mm]
Peso
[kg]
Adicional
(por cada 100 mm)
[kg]
Capacidad de carga axial
[N]
Capacidad de carga radial
[N]
Material Para carrera máx.
de 100 mm
 
listo para enviar en 10 días laborales desde Alemania SLW-16120 750 1,7 0,4 1200 4600 a petición Añadir a la cesta de la compra
listo para enviar en 3-4 días laborales desde Alemania SLW-0630 300 0,2 0,08 50 200 Plástico a petición Añadir a la cesta de la compra
Plazos de entrega bajo petición, ¡Consúltenos! SLW-0660 NEW 300 0,3 0,12 50 200 a petición Añadir a la cesta de la compra
listo para enviar en 10 días laborales desde Alemania SLW-0630-PL 300 0,2 0,08 50 200 a petición Añadir a la cesta de la compra
listo para enviar en 10 días laborales desde Alemania SLW-BB-0630-PL 300 0,25 0,08 100 200 a petición Añadir a la cesta de la compra
Plazos de entrega bajo petición, ¡Consúltenos! SLW-1040 750 0,7 0,1 700 2800 Zinc colado a presión a petición Añadir a la cesta de la compra
listo para enviar en 3-4 días laborales desde Alemania SLW-1080 750 0,9 0,2 700 2800 Aluminio a petición Añadir a la cesta de la compra
listo para enviar en 3-4 días laborales desde Alemania SLW-1660 750 1,5 0,3 1200 4600 Aluminio a petición Añadir a la cesta de la compra
listo para enviar en 3-4 días laborales desde Alemania SLW-2080 1000 3 0,4 1600 6400 Aluminio a petición Añadir a la cesta de la compra
listo para enviar en 3-4 días laborales desde Alemania SLW-10120 750 1,6 0,25 700 2800 Aluminio a petición Añadir a la cesta de la compra
listo para enviar en 3-4 días laborales desde Alemania SLW-25120 1250 5,9 0,9 2500 10000 Aluminio a petición Añadir a la cesta de la compra
Más información sobre la pieza seleccionada:
3D-CAD 3D-CAD
Pedido de muestra Pedido de muestra
PDF PDF
Consulta de precio Consulta de precio
myCatalog myCatalog

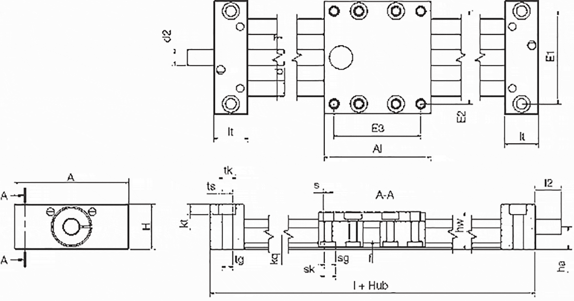
Tamaños [mm]

Nº de art.   A
-0,3
AI**
-0,3
H E1
±0,15
E2
±0,15
E3
±0,15
l hw f lt tk ts
±0,3
tg
listo para enviar en 10 días laborales desde Alemania SLW-16120 166 100 37 146 148 82 150 35 1,5 25 15 9
listo para enviar en 3-4 días laborales desde Alemania SLW-0630 54 60 20 40 45 51 100 18 1,2 20 11 6,6 -
Plazos de entrega bajo petición, ¡Consúltenos! SLW-0660 NEW 85 60 20 71 76 51 100 18 1,2 20 11 6,2 -
listo para enviar en 10 días laborales desde Alemania SLW-0630-PL 54 60 20 40 45 51 100 18 1,2 20 11 6,6 -
listo para enviar en 10 días laborales desde Alemania SLW-BB-0630-PL 54 60 20 40 45 51 112 18 1,2 26 11 6,8 M8
Plazos de entrega bajo petición, ¡Consúltenos! SLW-1040 74 69 29 60 60 56 113 24 1,5 22 11 6,8 M8
listo para enviar en 3-4 días laborales desde Alemania SLW-1080 108 100 29 94 94 87 144 24 1,5 22 11 6,8 M8
listo para enviar en 3-4 días laborales desde Alemania SLW-1660 104 100 37 84 86 82 150 35 1,5 25 15 9 M10
listo para enviar en 3-4 días laborales desde Alemania SLW-2080 134 150 46 116 116 132 206 44 1,5 28 15 8,6 M10
listo para enviar en 3-4 días laborales desde Alemania SLW-10120 154 100 29 140 140 87 144 24 1,5 22 11 6,8 M8
listo para enviar en 3-4 días laborales desde Alemania SLW-25120 200 150 60 173 173 128 220 55 2,5 35 20 13,5 M16
Más información sobre la pieza seleccionada:
3D-CAD 3D-CAD
Pedido de muestra Pedido de muestra
PDF PDF
Consulta de precio Consulta de precio
myCatalog myCatalog
Nº de art.   kt
±0,1
s sk sg kq d T l2 d2
Estándar
ha
listo para enviar en 10 días laborales desde Alemania SLW-16120 8,6 11 M8 5,5 16 20 TR14x3
listo para enviar en 3-4 días laborales desde Alemania SLW-0630 8 4,5 7 M4 2 6 M8 15 M8 9,5
Plazos de entrega bajo petición, ¡Consúltenos! SLW-0660 NEW 8 4,5 7 M4 2 6 TR08x1,5 15 TR08x1,5 9,5
listo para enviar en 10 días laborales desde Alemania SLW-0630-PL 8 4,5 7 M4 2 6 M8 15 M8 9,5
listo para enviar en 10 días laborales desde Alemania SLW-BB-0630-PL 8 4,5 7 M4 2 6 TR08x1,5 15 TR08x1,5 9,5
Plazos de entrega bajo petición, ¡Consúltenos! SLW-1040 6,4 6,6 9,5 M6 4,4 10 TR10x2 17 TR10x2* 14,5
listo para enviar en 3-4 días laborales desde Alemania SLW-1080 6,4 6,6 9,5 M6 4,4 10 TR10x2 17 TR10x2 14,5
listo para enviar en 3-4 días laborales desde Alemania SLW-1660 8,6 6,6 11 M8 5,5 16 TR14x4 20 TR14x4 18,5
listo para enviar en 3-4 días laborales desde Alemania SLW-2080 8,6 9 14 M8 5,5 20 TR18x4 26 12 h9 23
listo para enviar en 3-4 días laborales desde Alemania SLW-10120 6,4 0 9,5 M6 4,4 10 TR10x2 17 TR10x2 14,5
listo para enviar en 3-4 días laborales desde Alemania SLW-25120 12,6 11 15 M10 5 25 TR24x5 26 14h9 30
Más información sobre la pieza seleccionada:
3D-CAD 3D-CAD
Pedido de muestra Pedido de muestra
PDF PDF
Consulta de precio Consulta de precio
myCatalog myCatalog

*TR10x2 sin extremos del husillo mecanizados
**Bajo petición los carros se encuentran disponibles en una longitud de 100, 150, 200 y 250 mm


Adecuados para estos artículos:

listo para enviar en 24-48 horas desde Alemania Resumen de la gama de productos drylin® E

Componentes drylin® libres de lubricación y en continuo desarrollo para la tecnología de accionamiento.


listo para enviar en 24-48 horas desde Alemania
listo para enviar en 3-4 días laborales desde Alemania
listo para enviar en 10 días laborales desde Alemania
Plazos de entrega bajo petición, ¡Consúltenos!

Los términos "Apiro", "AutoChain", "CFRIP", "chainflex", "chainge", "chains for cranes", "ConProtect", "cradle-chain", "CTD", "drygear", "drylin", "dryspin", "dry-tech", "dryway", "easy chain", "e-chain", "e-chain systems", "e-ketten", "e-kettensysteme", "e-loop", "energy chain", "energy chain systems", "enjoyneering", "e-skin", "e-spool", "fixflex", "flizz", "i.Cee", "ibow", "igear", "iglidur", "igubal", "igumid", "igus", "igus improves what moves", "igus:bike", "igusGO", "igutex", "iguverse", "iguversum", "kineKIT", "kopla", "manus", "motion plastics", "motion polymers", "motionary", "plastics for longer life", "print2mold", "Rawbot", "RBTX", "readycable", "readychain", "ReBeL", "ReCyycle", "reguse", "robolink", "Rohbot", "savfe", "speedigus", "superwise", "take the dryway", "tribofilament", "tribotape", "triflex", "twisterchain", "when it moves, igus improves", "xirodur", "xiros" y "yes" son marcas comerciales legalmente protegidas de igus® SE & Co. KG en la República Federal de Alemania y otros países. Esta es una lista no exhaustiva de las marcas comerciales de igus SE & Co. KG o de empresas afiliadas de igus en Alemania, la Unión Europea, EE.UU. y/u otros países o jurisdicciones.

igus® SE & Co. KG puntualiza que no vende ningún producto de las empresas Allen Bradley, B&R, Baumüller, Beckhoff, Lahr, Control Techniques, Danaher Motion, ELAU, FAGOR, FANUC, Festo, Heidenhain, Jetter, Lenze, LinMot, LTi DRiVES, Mitsubishi, NUM, Parker, Bosch Rexroth, SEW, Siemens, Stöber y cualquier otro fabricante mencionado en esta página web. Los productos que ofrece igus® S.L.U. son los de igus® SE & Co. KG.