Por favor seleccione el país de entrega adecuado

Algunos factores como el precio de los productos, su disponibilidad u otros servicios pueden verse afectados por la selección del país de entrega.
My contact person
e-chains®, chainflex®, cables, harnessed systems readychain®

+54 11 45561000
dry-tech® bearing technology

+54 11 45561000
AR(ES)

Serie P4.32

1

Sistema de cadena portacables de bajo mantenimiento con ruedas de plástico triboptimizado

2

Travesaños autodeslizantes tipo peine

3

Ruedas y eslabones de un diseño especial que los hace especialmente silenciosos

4

Las ruedas superiores y las inferiores se desplazan unas encima de las otras

5

Ruedas y eslabones con el mismo paso

6

4 Altura interior: 32 mm, 42 mm, 56 mm y 80 mm disponibles


Plano técnico de la cadena portacables p4_32 de igus
Plano técnico de la cadena portacables p4_32_b de igus
Plano técnico de la cadena portacables p4 de igus
Plano técnico de la cadena portacables p4_32 de igus
A1 = Extremo móvilA2 = Extremo fijoB1 = Extremo móvil
B2 = Extremo fijoB3 = Carril de guiado con barra deslizanteB4 = Carril de guiado sin barra deslizante
B5 = Longitud total del carril de guiadoS = RecorridoR = Radio de curvatura
H = Altura nominal de montajeHF = Holgura vertical necesariaHRI = Altura interior del carril
D = Voladizo, radio de la cadena en posición finalK = π • R + "seguridad"D2 = Longitud adicional para grandes recorridos deslizantes
K2 = *SuplementoH2 = *Altura de montaje ∆CL = Desplazamiento lateral del extremo fijo
*con punto móvil rebajado
 
Carreras largasde 10 m a 600 m
Velocidad máxima de rotación/aceleración máxima de rotaciónmáx. 10 [m/s] / máx. 50 [m/s²]
Peso de llenadoMáx. 7,00 [kg/m]
Material/Temperatura permitida °Cigumid G/de -40° a +120° C
Clase de inflamabilidad, igumid GVDE 0304 IIC UL94 HB

Gama de productos de la serie P4.32

Referéncia del artículo Ancho interior Ancho exterior Alto interior Alto exterior Radio de curvatura Peso H D K    
  Bi [mm] Ba [mm] hi [mm] ha [mm] R [mm] [kg/m]          
Plazos de entrega bajo petición, ¡Consúltenos! P4.32.25.220.0 250 282 32 54 220 3,46 540 260 a petición Añadir a la cesta de la compra
listo para enviar en 5-7 días laborales desde Alemania P4.32.10.075.0 100 132 32 54 75 2,71 209 160 350 a petición Añadir a la cesta de la compra
listo para enviar en 5-7 días laborales desde Alemania P4.32.10.100.0 100 132 32 54 100 2,71 259 185 430 a petición Añadir a la cesta de la compra
listo para enviar en 5-7 días laborales desde Alemania P4.32.10.125.0 100 132 32 54 125 2,71 309 210 505 a petición Añadir a la cesta de la compra
listo para enviar en 8 semanas desde Alemania P4.32.10.150.0 100 132 32 54 150 2,71 359 235 585 a petición Añadir a la cesta de la compra
Plazos de entrega bajo petición, ¡Consúltenos! P4.32.10.175.0 100 132 32 54 175 2,71 404 286 660 a petición Añadir a la cesta de la compra
listo para enviar en 5-7 días laborales desde Alemania P4.32.10.200.0 100 132 32 54 200 2,71 459 285 745 a petición Añadir a la cesta de la compra
Plazos de entrega bajo petición, ¡Consúltenos! P4.32.10.220.0 100 132 32 54 220 2,71 494 331 805 a petición Añadir a la cesta de la compra
Plazos de entrega bajo petición, ¡Consúltenos! P4.32.10.250.0 100 132 32 54 250 2,71 559 335 900 a petición Añadir a la cesta de la compra
Plazos de entrega bajo petición, ¡Consúltenos! P4.32.10.300.0 100 132 32 54 300 2,71 659 385 1055 a petición Añadir a la cesta de la compra
listo para enviar en 5-7 días laborales desde Alemania P4.32.15.075.0 150 182 32 54 75 3,04 209 160 350 a petición Añadir a la cesta de la compra
listo para enviar en 5-7 días laborales desde Alemania P4.32.15.100.0 150 182 32 54 100 3,04 259 185 430 a petición Añadir a la cesta de la compra
listo para enviar en 5-7 días laborales desde Alemania P4.32.15.125.0 150 182 32 54 125 3,04 309 210 505 a petición Añadir a la cesta de la compra
listo para enviar en 8 semanas desde Alemania P4.32.15.150.0 150 182 32 54 150 3,04 359 235 585 a petición Añadir a la cesta de la compra
Plazos de entrega bajo petición, ¡Consúltenos! P4.32.15.175.0 150 182 32 54 175 3,04 404 286 660 a petición Añadir a la cesta de la compra
listo para enviar en 5-7 días laborales desde Alemania P4.32.15.200.0 150 182 32 54 200 3,04 459 285 745 a petición Añadir a la cesta de la compra
Plazos de entrega bajo petición, ¡Consúltenos! P4.32.15.220.0 150 182 32 54 220 3,04 494 331 805 a petición Añadir a la cesta de la compra
Plazos de entrega bajo petición, ¡Consúltenos! P4.32.15.250.0 150 182 32 54 250 3,04 559 335 900 a petición Añadir a la cesta de la compra
Plazos de entrega bajo petición, ¡Consúltenos! P4.32.15.300.0 150 182 32 54 300 3,04 659 385 1055 a petición Añadir a la cesta de la compra
listo para enviar en 5-7 días laborales desde Alemania P4.32.20.075.0 200 232 32 54 75 3,34 209 160 350 a petición Añadir a la cesta de la compra
listo para enviar en 5-7 días laborales desde Alemania P4.32.20.100.0 200 232 32 54 100 3,34 259 185 430 a petición Añadir a la cesta de la compra
listo para enviar en 5-7 días laborales desde Alemania P4.32.20.125.0 200 232 32 54 125 3,34 309 210 505 a petición Añadir a la cesta de la compra
listo para enviar en 8 semanas desde Alemania P4.32.20.150.0 200 232 32 54 150 3,34 359 235 585 a petición Añadir a la cesta de la compra
Plazos de entrega bajo petición, ¡Consúltenos! P4.32.20.175.0 200 232 32 54 175 3,34 404 286 660 a petición Añadir a la cesta de la compra
listo para enviar en 5-7 días laborales desde Alemania P4.32.20.200.0 200 232 32 54 200 3,34 459 285 745 a petición Añadir a la cesta de la compra
Plazos de entrega bajo petición, ¡Consúltenos! P4.32.20.220.0 200 232 32 54 220 3,34 494 331 805 a petición Añadir a la cesta de la compra
Plazos de entrega bajo petición, ¡Consúltenos! P4.32.20.250.0 200 232 32 54 250 3,34 559 335 900 a petición Añadir a la cesta de la compra
Plazos de entrega bajo petición, ¡Consúltenos! P4.32.20.300.0 200 232 32 54 300 3,34 659 385 1055 a petición Añadir a la cesta de la compra
Plazos de entrega bajo petición, ¡Consúltenos! P4.32.25.075.0 250 282 32 54 75 3,46 209 160 350 a petición Añadir a la cesta de la compra
listo para enviar en 5-7 días laborales desde Alemania P4.32.25.100.0 250 282 32 54 100 3,46 259 185 430 a petición Añadir a la cesta de la compra
listo para enviar en 5-7 días laborales desde Alemania P4.32.25.125.0 250 282 32 54 125 3,46 309 210 505 a petición Añadir a la cesta de la compra
listo para enviar en 8 semanas desde Alemania P4.32.25.150.0 250 282 32 54 150 3,46 359 235 585 a petición Añadir a la cesta de la compra
listo para enviar en 5-7 días laborales desde Alemania P4.32.25.200.0 250 282 32 54 200 3,46 459 285 745 a petición Añadir a la cesta de la compra
Plazos de entrega bajo petición, ¡Consúltenos! P4.32.25.250.0 250 282 32 54 250 3,46 559 335 900 a petición Añadir a la cesta de la compra
Plazos de entrega bajo petición, ¡Consúltenos! P4.32.25.300.0 250 282 32 54 300 3,46 659 385 1055 a petición Añadir a la cesta de la compra
Más información sobre la pieza seleccionada:
3D-CAD 3D-CAD
PDF PDF
Consulta de precio Consulta de precio
myCatalog myCatalog

Distribución interna programa series P4.32

Separadoreso

Estándar - para todas las aplicaciones

Separador, pie amplio para máxima fuerza de sujeción y posicionamiento seguro en la cadena portacables
Referencia    
listo para enviar en 24-48 horas desde Alemania 32.1 a petición Añadir a la cesta de la compra
listo para enviar en 24-48 horas desde Alemania 32.1.1 a petición Añadir a la cesta de la compra
Más información sobre la pieza seleccionada:
3D-CAD 3D-CAD
Pedido de muestra Pedido de muestra
PDF PDF
Consulta de precio Consulta de precio
myCatalog myCatalog
Separadoreso

Montaje de cables más rápido

Un lateral fijado con un ancho de base, la parte opuesta estrecha para una simple instalación (sujeción fácil).
Referencia    
listo para enviar en 24-48 horas desde Alemania 32.2 a petición Añadir a la cesta de la compra
listo para enviar en 24-48 horas desde Alemania 32.2.1 a petición Añadir a la cesta de la compra
Más información sobre la pieza seleccionada:
3D-CAD 3D-CAD
Pedido de muestra Pedido de muestra
PDF PDF
Consulta de precio Consulta de precio
myCatalog myCatalog
Separadoreso

Para muchos cables delgados

Separador con base estrecha para muchos cables delgados puestos el uno al lado del otro. Ahorrador de espacio, estable - para cadenas portacables.
Referencia    
listo para enviar en 24-48 horas desde Alemania 32.3 a petición Añadir a la cesta de la compra
listo para enviar en 24-48 horas desde Alemania 32.3.1 a petición Añadir a la cesta de la compra
Más información sobre la pieza seleccionada:
3D-CAD 3D-CAD
Pedido de muestra Pedido de muestra
PDF PDF
Consulta de precio Consulta de precio
myCatalog myCatalog
Separadoreso

Fijaciones seguras en pasos de 5 mm

Separador de fijación para travesaño de fijación con escala Para posicionamiento exacto
Referencia    
listo para enviar en 24-48 horas desde Alemania 32.5 a petición Añadir a la cesta de la compra
listo para enviar en 24-48 horas desde Alemania 32.5.1 a petición Añadir a la cesta de la compra
Más información sobre la pieza seleccionada:
3D-CAD 3D-CAD
Pedido de muestra Pedido de muestra
PDF PDF
Consulta de precio Consulta de precio
myCatalog myCatalog
Separadoreso

Distribución interior horizontal

Fijación segura en ambos lados del separador, anchuras fijadas posibles Puede ser usado como bandeja de ancho pleno para subdivisión integrada ó como bandeja para una separación tipo soporte en 1 nivel.
Referencia Anchura    
listo para enviar en 24-48 horas desde Alemania 3210.100 100 a petición Añadir a la cesta de la compra
listo para enviar en 72 horas desde Alemania 3210.150 150 a petición Añadir a la cesta de la compra
listo para enviar en 72 horas desde Alemania 3210.200 200 a petición Añadir a la cesta de la compra
listo para enviar en 72 horas desde Alemania 3210.250 250 a petición Añadir a la cesta de la compra
listo para enviar en 24-48 horas desde Alemania 3200.100 100 a petición Añadir a la cesta de la compra
listo para enviar en 24-48 horas desde Alemania 3200.150 150 a petición Añadir a la cesta de la compra
listo para enviar en 72 horas desde Alemania 3200.200 200 a petición Añadir a la cesta de la compra
listo para enviar en 24-48 horas desde Alemania 3200.250 250 a petición Añadir a la cesta de la compra
Más información sobre la pieza seleccionada:
3D-CAD 3D-CAD
Pedido de muestra Pedido de muestra
PDF PDF
Consulta de precio Consulta de precio
myCatalog myCatalog

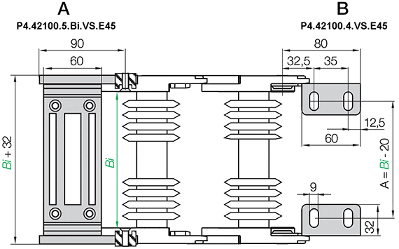
P4.32 - terminales de plástico/acero oscilantes

p4 42 A = Extremo fijo de plástico | B = Extremo móvil de acero

Para conexiones oscilantes

Sujeción segura a su aplicación

Mismo kit (de 2 piezas) para cadenas de todas las anchuras

Eléctricamente conductor

P4.32 A = extremo fijo | B = extremo móvil
Referencia Bi A
Más información sobre la pieza seleccionada:
myCatalog myCatalog

listo para enviar en 24-48 horas desde Alemania
listo para enviar en 8 semanas desde Alemania
Plazos de entrega bajo petición, ¡Consúltenos!

Consultas

I would be happy to answer your questions personally

Consulta y envíos

En persona:

De lunes a viernes de 7:00 a 20:00
Sábados de 8:00 a 12:00

Online:

24h


Los términos "Apiro", "AutoChain", "CFRIP", "chainflex", "chainge", "chains for cranes", "ConProtect", "cradle-chain", "CTD", "drygear", "drylin", "dryspin", "dry-tech", "dryway", "easy chain", "e-chain", "e-chain systems", "e-ketten", "e-kettensysteme", "e-loop", "energy chain", "energy chain systems", "enjoyneering", "e-skin", "e-spool", "fixflex", "flizz", "i.Cee", "ibow", "igear", "iglidur", "igubal", "igumid", "igus", "igus improves what moves", "igus:bike", "igusGO", "igutex", "iguverse", "iguversum", "kineKIT", "kopla", "manus", "motion plastics", "motion polymers", "motionary", "plastics for longer life", "print2mold", "Rawbot", "RBTX", "readycable", "readychain", "ReBeL", "ReCyycle", "reguse", "robolink", "Rohbot", "savfe", "speedigus", "superwise", "take the dryway", "tribofilament", "tribotape", "triflex", "twisterchain", "when it moves, igus improves", "xirodur", "xiros" y "yes" son marcas comerciales legalmente protegidas de igus® SE & Co. KG en la República Federal de Alemania y otros países. Esta es una lista no exhaustiva de las marcas comerciales de igus SE & Co. KG o de empresas afiliadas de igus en Alemania, la Unión Europea, EE.UU. y/u otros países o jurisdicciones.

igus® SE & Co. KG puntualiza que no vende ningún producto de las empresas Allen Bradley, B&R, Baumüller, Beckhoff, Lahr, Control Techniques, Danaher Motion, ELAU, FAGOR, FANUC, Festo, Heidenhain, Jetter, Lenze, LinMot, LTi DRiVES, Mitsubishi, NUM, Parker, Bosch Rexroth, SEW, Siemens, Stöber y cualquier otro fabricante mencionado en esta página web. Los productos que ofrece igus® S.L.U. son los de igus® SE & Co. KG.