Por favor seleccione el país de entrega adecuado

Algunos factores como el precio de los productos, su disponibilidad u otros servicios pueden verse afectados por la selección del país de entrega.
My contact person
e-chains®, chainflex®, cables, harnessed systems readychain®

+54 11 45561000
dry-tech® bearing technology

+54 11 45561000
AR(ES)

Actuador lineal de perfil plano drylin® SLN motorizado

Actuador lineal motorizado

Diseño compacto

Funcionamiento libre de lubricación basado en la guía en miniatura drylin® N

Actuador lineal en miniatura monitorizado listo para instalar y probado

Rodamiento de bolas para un funcionamiento optimizado y dinámico

Disponible en tres pasos de husillos: paso M5 (5x0,8mm), rosca helicoidal 5x5 y 6x12,7

SLN-27-14 Carro con ajustes de backlash y altura manuales, rodamiento de bolas de husillo montado
 
SLN-27-15 Carro con pretensado axial y ajustes de backlash y altura manuales, rodamiento de bolas de husillo montado

Motor integrado motor paso a paso NEMA 11 con cable trenzado par de mantenimiento Mo 0,13 Nm, tamaño de conexión 28x28 mm
 
Opciones: Directo y libre en el perfil de interruptores de proximidad posicionables
Referencia IK-0052 Kit de interruptor de proximidad con soporte para SLN, inductivo, PNP, más abierto/NC
Referencia IK-0053 Kit de interruptor de proximidad con soporte para SLN, inductivo, PNP más cerrado/NO
 
 
Todas las variantes están disponibles listas para conectar en longitudes de carrera de 100/150/200/250 mm. Sin embargo, también pueden solicitarse otras longitudes de carrera bajo petición.
 
Ventajas adicionales para todos los diseños: En todos los diseños, los sensores pueden conectarse directamente y posicionarse libremente en el perfil
 
Áreas de aplicación más frecuentes: Máquinas automatizadas, equipo de laboratorio médico, equipos de pruebas

Productos de la gama:

Información técnica

Número de pedido Longitud de la carrera Peso Adicional
(por cada 100 mm)
Máx. capacidad de carga estática
Máx.
velocidad
Máx.
par de accionamiento
   
    [g] [g] axial[N] radial[N] [h/min] [Nm]    
SLN-27-14-0050-100-11-L-S-000 100 60 40 10 40 300 0,1 a petición Añadir a la cesta de la compra
SLN-27-14-0050-150-11-L-S-000 150 60 40 10 40 300 0,1 a petición Añadir a la cesta de la compra
SLN-27-14-0050-200-11-L-S-000 200 60 40 10 40 300 0,1 a petición Añadir a la cesta de la compra
SLN-27-14-0050-250-11-L-S-000 200 60 40 10 40 300 0,1 a petición Añadir a la cesta de la compra
SLN-27-15-0050-100-11-L-S-000 100 60 40 10 40 300 0,1 a petición Añadir a la cesta de la compra
SLN-27-15-0050-150-11-L-S-000 150 60 40 10 40 300 0,1 a petición Añadir a la cesta de la compra
SLN-27-15-0050-200-11-L-S-000 200 60 40 10 40 300 0,1 a petición Añadir a la cesta de la compra
SLN-27-15-0050-250-11-L-S-000 250 60 40 10 40 300 0,1 a petición Añadir a la cesta de la compra
Más información sobre la pieza seleccionada:
3D-CAD 3D-CAD
Pedido de muestra Pedido de muestra
Consulta de precio Consulta de precio
myCatalog myCatalog

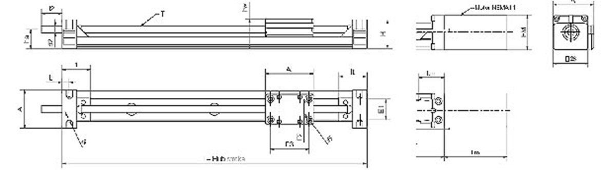
Tamaños [mm]

Número de pedido A Al H E1 E2 E3 l hw lt lb ts tg T d2 l2 ha    
  ±0,2 -0,1 ±0,2 ±0,15 ±0,15 ±0,15   ±0,2 ±0,2                
SLN-27-14-0050-100-11-L-S-000 28 35 21,5 20,5 15 28 76 22 20,2 5 3,5 M3 5x5 M5 15 14 a petición Añadir a la cesta de la compra
SLN-27-14-0050-150-11-L-S-000 28 35 21,5 20,5 15 28 76 22 20,2 5 3,5 M3 5x5 M5 15 14 a petición Añadir a la cesta de la compra
SLN-27-14-0050-200-11-L-S-000 28 35 21,5 20,5 15 28 76 22 20,2 5 3,5 M3 5x5 M5 15 14 a petición Añadir a la cesta de la compra
SLN-27-14-0050-250-11-L-S-000 28 35 21,5 20,5 15 28 76 22 20,2 5 3,5 M3 5x5 M5 15 14 a petición Añadir a la cesta de la compra
SLN-27-15-0050-100-11-L-S-000 28 35 21,5 20,5 15 28 76 22 20,2 5 3,5 M3 5x5 M5 15 14 a petición Añadir a la cesta de la compra
SLN-27-15-0050-150-11-L-S-000 28 35 21,5 20,5 15 28 76 22 20,2 5 3,5 M3 5x5 M5 15 14 a petición Añadir a la cesta de la compra
SLN-27-15-0050-200-11-L-S-000 28 35 21,5 20,5 15 28 76 22 20,2 5 3,5 M3 5x5 M5 15 14 a petición Añadir a la cesta de la compra
SLN-27-15-0050-250-11-L-S-000 28 35 21,5 20,5 15 28 76 22 20,2 5 3,5 M3 5x5 M5 15 14 a petición Añadir a la cesta de la compra
Más información sobre la pieza seleccionada:
3D-CAD 3D-CAD
Pedido de muestra Pedido de muestra
Consulta de precio Consulta de precio
myCatalog myCatalog

Módulo lineal con motor
Tamaños [mm]

Número de pedido ltm HM AI li l Lm    
SLN-27-14-0050-100-11-L-S-000 20,5 28 33 25 83 variable a petición Añadir a la cesta de la compra
SLN-27-14-0050-150-11-L-S-000 20,5 28 33 25 83 a petición Añadir a la cesta de la compra
SLN-27-14-0050-200-11-L-S-000 20,5 28 33 25 83 a petición Añadir a la cesta de la compra
SLN-27-14-0050-250-11-L-S-000 20,5 28 33 25 83 a petición Añadir a la cesta de la compra
SLN-27-15-0050-100-11-L-S-000 20,5 28 33 25 83 a petición Añadir a la cesta de la compra
SLN-27-15-0050-150-11-L-S-000 20,5 28 33 25 83 a petición Añadir a la cesta de la compra
SLN-27-15-0050-200-11-L-S-000 20,5 28 33 25 83 a petición Añadir a la cesta de la compra
SLN-27-15-0050-250-11-L-S-000 20,5 28 33 25 83 a petición Añadir a la cesta de la compra
Más información sobre la pieza seleccionada:
3D-CAD 3D-CAD
Pedido de muestra Pedido de muestra
Consulta de precio Consulta de precio
myCatalog myCatalog

Plazos de entrega bajo petición, ¡Consúltenos!

Los términos "Apiro", "AutoChain", "CFRIP", "chainflex", "chainge", "chains for cranes", "ConProtect", "cradle-chain", "CTD", "drygear", "drylin", "dryspin", "dry-tech", "dryway", "easy chain", "e-chain", "e-chain systems", "e-ketten", "e-kettensysteme", "e-loop", "energy chain", "energy chain systems", "enjoyneering", "e-skin", "e-spool", "fixflex", "flizz", "i.Cee", "ibow", "igear", "iglidur", "igubal", "igumid", "igus", "igus improves what moves", "igus:bike", "igusGO", "igutex", "iguverse", "iguversum", "kineKIT", "kopla", "manus", "motion plastics", "motion polymers", "motionary", "plastics for longer life", "print2mold", "Rawbot", "RBTX", "readycable", "readychain", "ReBeL", "ReCyycle", "reguse", "robolink", "Rohbot", "savfe", "speedigus", "superwise", "take the dryway", "tribofilament", "tribotape", "triflex", "twisterchain", "when it moves, igus improves", "xirodur", "xiros" y "yes" son marcas comerciales legalmente protegidas de igus® SE & Co. KG en la República Federal de Alemania y otros países. Esta es una lista no exhaustiva de las marcas comerciales de igus SE & Co. KG o de empresas afiliadas de igus en Alemania, la Unión Europea, EE.UU. y/u otros países o jurisdicciones.

igus® SE & Co. KG puntualiza que no vende ningún producto de las empresas Allen Bradley, B&R, Baumüller, Beckhoff, Lahr, Control Techniques, Danaher Motion, ELAU, FAGOR, FANUC, Festo, Heidenhain, Jetter, Lenze, LinMot, LTi DRiVES, Mitsubishi, NUM, Parker, Bosch Rexroth, SEW, Siemens, Stöber y cualquier otro fabricante mencionado en esta página web. Los productos que ofrece igus® S.L.U. son los de igus® SE & Co. KG.